Part 1: Primary Distribution Systems
Primary Distribution Overview
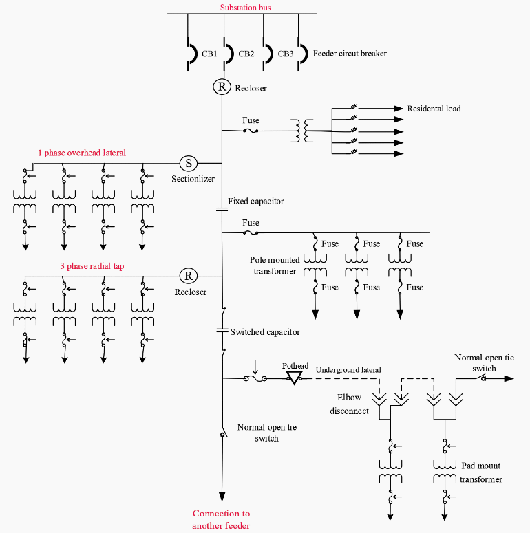
Primary distribution systems are the backbone of power delivery, routing medium-voltage power from substations to local transformers. The architecture—whether overhead or underground—dictates the reliability and cost-efficiency of the network.
Case Study: Urban vs. Rural Configurations

- Rural Scenario (Radial System): In low-density agricultural areas, cost is the primary driver. A simple Radial System connects farms to a single feeder. While economical, a single fault (e.g., a fallen tree) causes a total outage until repairs are made.
- Urban Scenario (Loop System): For a bustling suburban district, a Primary Loop configuration is deployed. If a feeder fails, automated switches isolate the fault and restore power to the remaining homes via an alternate path within seconds.
Part 2: High Reliability Solutions
Spot Networks for Critical Loads
When downtime is not an option, Spot Networks are the industry standard. This configuration parallels multiple transformers to a single bus, ensuring that the failure of one component implies zero interruption to the user.
Application Case: Commercial High-Rise
Consider a 50-story financial center or a large shopping mall. These facilities require up to 25 MVA of power. By implementing a Spot Network fed by 4–6 primary feeders, the building maintains full operation even if two primary feeders go offline simultaneously. This setup is crucial for data centers and hospitals where power stability is a life-safety issue.
Part 3: Secondary Distribution & Grid Networks
From Transformer to End-User
Secondary distribution bridges the gap between the distribution transformer and the customer’s meter. Modern developments prioritize Underground Residential Distribution (URD) for its resilience against extreme weather.
Project Example: Modern Residential Subdivision
In a new luxury housing development, Aleo Power typically deploys pad-mounted transformers serving small clusters of homes via underground cables. Unlike old overhead systems using secondary mains (which suffer from voltage drops), this direct-connection method places transformers closer to the load, minimizing losses and eliminating the visual clutter of utility poles.
Downtown Grid Networks
In dense city centers (like New York or Shanghai CBDs), a Grid Network connects all transformers into a massive web.
- Operational Mechanism: Current can flow from any transformer to any load.
- Safety Features: Specialized Network Protectors and cable limiters act as “traffic police,” preventing fault currents from propagating backwards into the primary grid. This ensures that a cable failure in one street does not darken the entire block.



